Putkirunkoisen penkin suunnittelu ja valmistus

Rakennatko omaa nojapyörää? Täältä voit saada vinkkejä projektiisi.
Jarcco
Pistosuojattu sisällöntuottaja
Viestit: 2076
Liittynyt: 05 Syys 2006, 17:06
Paikkakunta: Hamina
Viesti:

Re: Putkirunkoisen penkin suunnittelu ja valmistus

Viesti Kirjoittaja Jarcco »

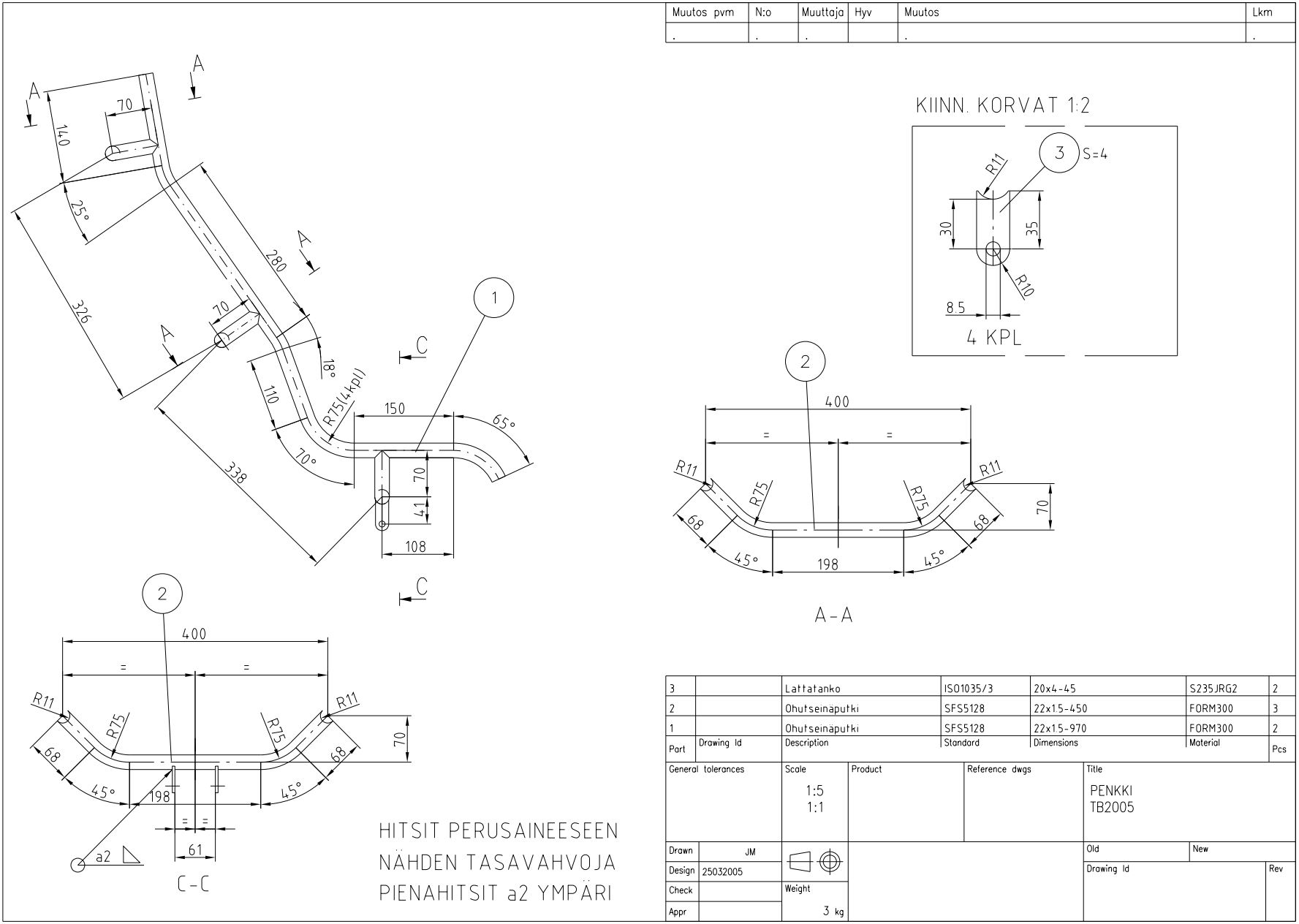
Tuossa piirustus melkein 20v takaa.

Liitteet
tb_PENKKI2.pdf
(34.77 KiB) Tiedosto ladattu 306 kertaa

Omat pyörät:
Feenix , Jive , Kruiseri , CrankForward-pystäri

Avatar
janx
Pistosuojattu sisällöntuottaja
Viestit: 5766
Liittynyt: 24 Elo 2008, 11:33
Paikkakunta: Pohjois-Helsinki
Viesti:

Re: Putkirunkoisen penkin suunnittelu ja valmistus

Viesti Kirjoittaja janx »

Jarcco kirjoitti: 25 Maalis 2024, 13:57

Tuossa piirustus melkein 20v takaa.

tb_penkki2.JPG

"The haters gonna hate and the lovers gonna love. I just lean back and ride." -janx (Kotisivut)
CLWB2008c (09-12), Nazca ePaseo (06/12-), 20/26 SWB Fenix (08/17-) & Spectri (03/19-)
Keskustelukanavat - #recumbents:matrix.org ja #nojapyorat:matrix.org

Avatar
janx
Pistosuojattu sisällöntuottaja
Viestit: 5766
Liittynyt: 24 Elo 2008, 11:33
Paikkakunta: Pohjois-Helsinki
Viesti:

Re: Putkirunkoisen penkin suunnittelu ja valmistus

Viesti Kirjoittaja janx »

Ostettu neljä metriä 19x1,5 mm teräsputkea Puuilosta hintaan 15,98 euroa.
https://www.puuilo.fi/warma-terasputki-pyorea-19mm-2m

"The haters gonna hate and the lovers gonna love. I just lean back and ride." -janx (Kotisivut)
CLWB2008c (09-12), Nazca ePaseo (06/12-), 20/26 SWB Fenix (08/17-) & Spectri (03/19-)
Keskustelukanavat - #recumbents:matrix.org ja #nojapyorat:matrix.org

Vastaa Viestiin