Halvempien napadynamoiden kanssa on ehkä hyvä idea käyttää jännite (tai virta-) regulaattoria, joka tuottaa valolle tarvittavan virran, ja vaikka dynämo kuinka yrittäisi työntää suurilla nopeuksilla ylimääräistä tehoa niin regulointi estää tämän. Siis ei tarvitse sitä isoa ja kallista kelaa pelkästään virran rajoituksen takia.
Pyörän valoista
-
jori
- Pistosuojattu sisällöntuottaja
- Viestit: 14332
- Liittynyt: 15 Syys 2006, 19:00
- Paikkakunta: Tampere, Petsamo
Re: Pyörän valoista
ukram2 kirjoitti:Halvempien napadynamoiden kanssa on ehkä hyvä idea käyttää jännite (tai virta-) regulaattoria, joka tuottaa valolle tarvittavan virran, ja vaikka dynämo kuinka yrittäisi työntää suurilla nopeuksilla ylimääräistä tehoa niin regulointi estää tämän. Siis ei tarvitse sitä isoa ja kallista kelaa pelkästään virran rajoituksen takia.
Tämä kuulostaa hyvältä tavalta. Voisitko ehdottaa jotain virtaregulaattorikomponenttia tai -piiriä, jonka voisi vähemmänkin elektroniikkaa harrastanut ostaa ja kolvata paikoilleen. Näitä varmaankin käytetään led-lampuissa yleisesti, mutta mistä niitä saa ostaa ja millä nimellä ja spekseillä pyytää.
Jori
On se kumma hyypiö tämä ihminen.
Kun kerran omaksuu tietyn käsityksen ja asenteen jostain asiasta, tulee aivan kuuroksi ja sokeaksi todisteille, jotka kumoaisivat nuo käsitykset, ja varsinkin unohtaa ne. - Sakari Holma
- Wacky
- Pistosuojattu sisällöntuottaja
- Viestit: 4110
- Liittynyt: 14 Heinä 2010, 12:38
- Paikkakunta: Helsinki, Vesala
Re: Pyörän valoista
jori kirjoitti:ukram2 kirjoitti:Halvempien napadynamoiden kanssa on ehkä hyvä idea käyttää jännite (tai virta-) regulaattoria, joka tuottaa valolle tarvittavan virran, ja vaikka dynämo kuinka yrittäisi työntää suurilla nopeuksilla ylimääräistä tehoa niin regulointi estää tämän. Siis ei tarvitse sitä isoa ja kallista kelaa pelkästään virran rajoituksen takia.
Tämä kuulostaa hyvältä tavalta. Voisitko ehdottaa jotain virtaregulaattorikomponenttia tai -piiriä, jonka voisi vähemmänkin elektroniikkaa harrastanut ostaa ja kolvata paikoilleen. Näitä varmaankin käytetään led-lampuissa yleisesti, mutta mistä niitä saa ostaa ja millä nimellä ja spekseillä pyytää.
Mulla oli tarjolla shimanon oma sellainen viime vuonna SM-kisojen rompetorilla, mutta ottajia ei ollut.
Itse en ole koskaan moista tarvinnut valojeni kanssa, mutta ehkä se on tarpeen joillekin valoille.
- Richard "Riku" Griffin
Savenmaa Alku (2010 - 2011) Azub Bufo (2011 - 2014) MetaPhrastic.28 (2012 ->) MetaPhat (2013 - 2017) Nopia (2017 - 2019) Specbike Extrim (2017 -> & 2019 ->) Pony4 Bike (2022 ->)
Re: Pyörän valoista
Magic Shinen parempi testi sateessa hetkittäin mallia Esteri ja osin katuvalojen ollessa tehottomia. 300 oli onneton tuikku kovassa sateessa. 600 häikäisi myräkässä, kun puolen metrin päässä lamppu sai tippaseinän heijastamaan valoa häikäisevästi takaisin ja oli haasteellista nähdä läpi. Kun pahin kuuro meni ohi, 600 riitti kaikkeen paitsi tien pinnan vajeiden havaitsemiseen yli 3-4 m päästä märältä asfaltilta, josta katuvalot kiilsivät. Asfaltilta näkyvyys huono, mutta nurtsi ja muu vihreä valaistui mainiosti kymmenen metrin päästä ja hyvin paljon kauempaa.
Kun saavuin alueelle, jossa oli huonosti katuvaloa, 1200 Lumenia ei ollutkaan yhtään liikaa. Eka kerta, kun ympäristö valaistui hieman. Kadusta erottui pintavauriot ehkä 7-10 m päästä riippuen vaurion kontrastista, koosta ja korkeuserosta muuhun pintaan nähden.
1200 sokaisi hetkittäin lyhyeksi aikaa siis kymmenyksiä sekunnista, kun saavuin tietyön kohdalle ja merkkien heijastimista tuli liikaa valoa takaisin.
Yhteenvetona koputan puuta, jos kestää jatkossakin sateessa, mutta 1200 on välillä tarvittava valoteho, joten ei turha ostos, kun on hyvät säädöt eri valon tarpeisiin. Elukat olivat sadesuojassa, joten en päässyt näkemään, tuleeko peura auton valoissa ilmiötä linnuille ja pupuille, jotka yleensä ovat uhkina työmatkallani yöllä.
Re: Pyörän valoista
Kyllä nuo Magic Shinet kestää hyvin vettä. Mulla oli pari vuotta pyörässä kiinni ja usein pihalla sateessa työpäivän ajan. Siinä meni se kytkin jotenkin jäykäksi, tein usein niin että irrotin johdon akusta kun kuitenkin usein töissä latasin sen täyteen. En oo vielä saanu aikaan korjata sitä kun mulla on muutama itse tehty samantyyppinen lamppu. Reilun vuoden olen nyt käyttäny tuota lamppua:

Siinä on 10W led, mutta jostain syystä toimii vain 7,5W teholla vaikka regulaattorista pitäisi irrota myös 10W.
Aina on toiminut vaikka vettä, kuraa ja lunta on kertynyt piirilevylle. En koputa puuta
Kuitenkin aika monimutkainen kytkentä, siinä on http://www.ti.com/product/TPS54332 ja operaatiovahvistin joka mittaa ledin virtaa. Jos hajoaisi, niin voisi tutkia että mikä osa petti. Muutaman kerran jo luulin että käy tuuri, mutta ei kun virtajohdon padit irtosivat piirilevystä
. Olisi pitänyt laittaa kumilenkkiä parempi vedonpoisto.
Vaaka, miten tuossa sun Magic Shinessa nuo pienemmät tehot on toteutettu? Eli vilkkuuko nopeasti niin että esim sateessa huomaa? Mua ärsyttää tuossa omassa, kun lineaarinen himmennys ei olisi paljon PWM toteutusta kalliimpi tai vaikeampi toteuttaa. Toisaalta nopeasti vilkkuva valo kyllä kiinnittää muiden huomion paremmin ![]()
Re: Pyörän valoista
Kerran sadekokemuksen perusteella vilkkumisfrekvenssi riittää havaintokyvyn ylitykseen, jos kyseessä on vilkutuksella himmennys. En tiedä, onko. Voihan siellä olla alijännitteet käytössä myös. Manuskasta en älynnyt, onko speksejä vaimennustavalle. Ainoa tunnistamani info oli akun riitto eri kirkkauksilla. Ehjään ei viitsi soveltaa rakettikirurgiaa ![]()
Re: Pyörän valoista
Magic Shine@300 Lm näkyi 02.30-3.00 kuivalla säällä 10 m päähän keskittyneenä valopisteenä ja 15-20 hieman katua kirkkaampana. Pelasti yhdeltä uudelta asfaltin poistoon ajolta, kun sepelin ja asfaltin kontrasti on huono. Ei jäänyt paljon reagointiaikaa ja ilman valoa olisi hätäjarrutuksellakin mennyt liian kovaa kuoppaan. Pellolla valopiste näkyi 20-25 m päästä.
Tiikerin kesälomittajat (rallilatinaksi summer pussy) olivat kuin teinejä. Onks pakko, mä oon viidakon kuningas hei ja maleksivat alkuun ikään kuin eivät viitsisi väistää. Totuus iski nopeasti ja vauhti kasvoi kävelyksi lähestyessäni. Ei voi kaahauksesta syyttää, kun kissat kävelivät kahdessa paikassa alta tarvitsematta juosta.
Valtava ero on kuivalla ja sateisella kelillä valon tarpeessa. 2-4x sateen määrästä riippuen tarvitsee lisää valoa samaan esteiden näkyvyyteen samaan kellonaikaan.
Re: Pyörän valoista
Perus jänniteregulaattori on varmaan yksinkertaisin:
http://www.daycounter.com/Calculators/V ... ator.phtml
http://www.partco.biz/verkkokauppa/prod ... ts_id=3089 Joku LM317 lienee riittävä...
Ja tasasuuntauksen joutunee tekemään ainakin yhdellä diodilla tai mieluiten neljällä, ja shottky malliset vie vähiten jännitettä. Periaatteessa regulaattorikin voi toimia tasasuuntaajana, ja matala hukkajännite "LDO" tyyppinen olisi hyvä. Regu varmaankin toimii negatiivisella jännitteellä diodina, eli kannattaa estää väärinpäin kulkeva virta yhdellä suojadiodilla, tämäkin tosin voi olla jo valmiina regussa.
Mutta pwm-hakkuri voisi olla parempi tehon hukkaamisen välttämisessä, siis se esim. lataa jotain jännitteen tasaus konkkaa, ja napadynamon kela toimii hakkurin virtaa rajoittavana osana... Näissä pitää kuitenkin ottaa huomioon minkälaista kuormaa ajetaan, siis ledit vaatii tasaista virtaa ja esim. halogeenia taas voi pätkiä suoraan sillä jännitteellä mitä dynamosta tulee, jos kytkentä pystyy laskemaan lamppuun menevää tehoa. Tässä tapauksessa voisi jopa prosessorikytkentä olla järkevä.
En näköjään osaa vastata tähän mitenkään yleispätevästi...
https://en.wikipedia.org/wiki/Current_l ... er_NPN.PNG
Tuommoinen virranrajoituskytkentä voisi myös olla yksi mahdollisuus... Eli siis vaikka ekana tasasuuntaus, josta saadaan iso jännite, joka tasataan konkalla, ja virtarajoitus kytkentä rajoittamaan lediin menevää virtaa.
Re: Pyörän valoista
Olisiko semmoiselle valo-ohjaimelle kysyntää, voisin koittaa suunnitella... Periaatteessa siitä voisi tehdä jokseenkin optimaalisen jos käyttäisi jotain kytkentätransistoria lataamaan dynamosta isoa (super?)konkkaa, joka kytketään valolediin pienen etuvastuksen kautta. Näin voisi mitata virtaa sen vastuksen avulla ja konkka pitäisi valon tasaisena. Tässä ei tarvittaisi mitään isoja hakkuritaajuuksia eikä eksoottisia kelakomponentteja. Konkka pitäisi mitoittaa niin että se jaksaa työntää lediin virtaa napadynamon jakson ajan kohtuu vakiolla jännitteellä. Säätämiseen tarvisi vain jonkun komparaattorin, joka katsoo sen etuvastuksen yli olevaa jännitettä eli ledin virtaa, hystereesillä siten että trankku on aina joko kokonaan päällä tai kokonaan pois...
Re: Pyörän valoista
Itse oon miettiny tuota dynamo ja LED yhdistelmää niin, että pitäisi olla joku kytkentä jolla sais lediin mahdollisimman paljon tehoa jo pienellä nopeudella mutta itse ledin tehonkesto olisi suurempi kuin mitä dynamo pystyy tuottamaan. Eli pitäisi kasvattaa ledin virtaa sen sijaan että rajoittaa sitä. En kyllä osaa tuollaista toteuttaa.
Hakkurien lisäksi teholedeille oon käyttänyt tuota kytkentää virran rajoitukseen:

http://www.pcbheaven.com/userpages/LED_ ... orklog&p=3
Kytkennän toimintaperiaate on yksinkertainen: Vastus RG avaa mosfetin ja ledin virta kasvaa kunnes vastuksen RS yli oleva jännite saavuttaa NPN transistorin kynnysjännitteen (0.7V). NPN transistori rajoittaa mosfetin ohjausjännitettä ja ledin virta rajoittuu.
Tuon kytkennän etuna on pieni jännitehäviö kun vertaa LM317:n perustuvaan kytkentään. 4 komponenttia on helppo kasata eikä vie paljon tilaa. Lisäksi vaatii tietysti tasasuuntauksen ja kondensaattorin jos kytketään dynamoon.
Re: Pyörän valoista
Perus kytkentä, jossa kokoaalto tasasuuntaaja sekä 1F super konkka (elfalta?). Tuossa diodit voisi olla mieluiten schottky mallisia tai siis vähiten jännitettä hukkaavia, 1N5818 lienee hyvä. Ja mitään ylivirtasuojausta ei tuossa ole, joten toiminee schmidtin dynamon kanssa mutta en ole lainkaan varma miten käy esim. shimanon dynamon kanssa. Kuitenkin tämä periaatteessa on hyvä jos halutaan ottaa dynamosta irti kaikki mitä lähtee ja tuo superkonkka varmaankin poistaa vilkkumisen. Lisäksi superkonkka voi hajota jos sitä ladataan liikaa, esim. jos ledi on jostain syystä irti kytkennästä. Joku elkokin voisi ehkä toimia, en ole ihan varma, en ole kokeillut.
Superkonkissa näköjään pitää ottaa huomioon esr, esim tuo lienee tarpeeksi hyvä: http://fi.farnell.com/bussmann-by-eaton ... dp/2148505 Tai oikeastaan tuossakin on liikaa vastusta, ja seuraus on valon vilkkuminen... Ehkä hakkuri on ainoa jonka saa kunnolla toimimaan? Ihmeen huonoja nuo superkonkat?
Re: Pyörän valoista
Virtaregulointia voi tehdä siten että käytetään kelaa, jonka läpi kulkevaa virtaa säädetään hakkuroimalla, ja siis virta kulkee myös valoledin läpi. Esimerkkinä LM3414 piiri. Tuo on kuitenkin pintaliitos kamaa, ja vähän hankala kasata itse... Kuitenkin tuolla periaatteella tehoa ei pitäisi juurikaan mennä hukkaan.
- janx
- Pistosuojattu sisällöntuottaja
- Viestit: 5775
- Liittynyt: 24 Elo 2008, 11:33
- Paikkakunta: Pohjois-Helsinki
- Viesti:
Re: Pyörän valoista
Täällä on dynamon perään tehtyjä ratkaisuja: http://pilom.com/BicycleElectronics/DynamoCircuits.htm
Itellä on toi "Circuit 6" ollut testissä.
"The haters gonna hate and the lovers gonna love. I just lean back and ride." -janx (Kotisivut)
CLWB2008c (09-12), Nazca ePaseo (06/12-), 20/26 SWB Fenix (08/17-) & Spectri (03/19-)
Keskustelukanavat - #recumbents:matrix.org ja #nojapyorat:matrix.org
Re: Pyörän valoista
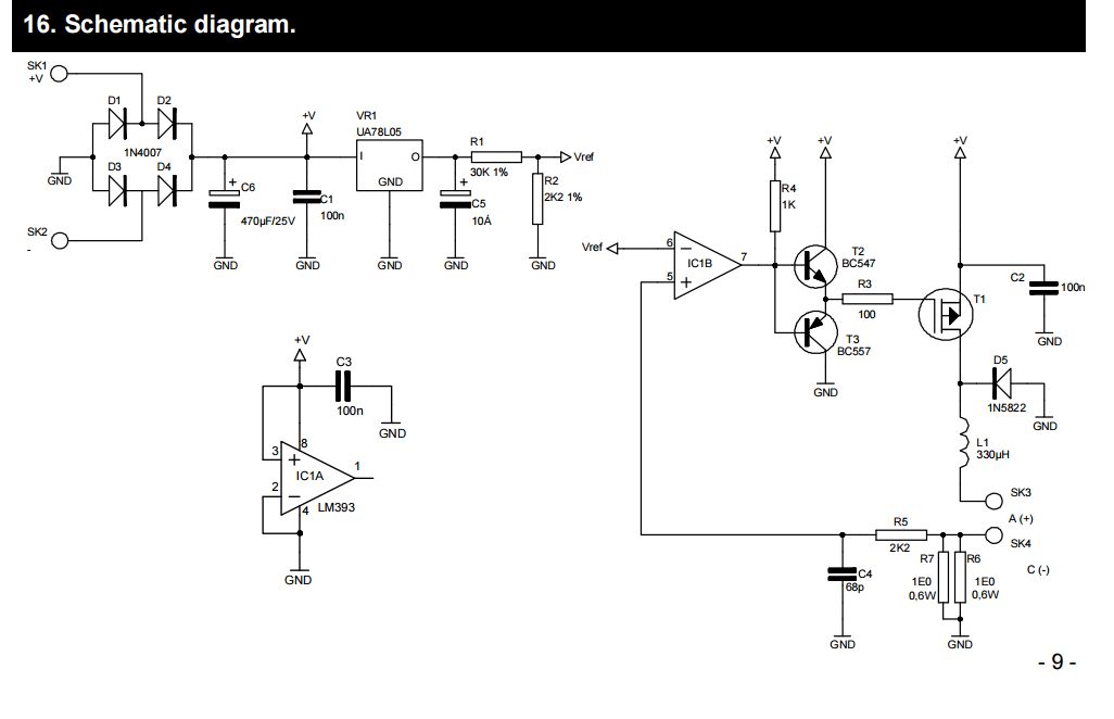
Jos haluaa tehdä simppeleistä osista niin tuommoinen Velleman K8071 kitti ehkä kannattaa hankkia...
Siinä on vain vähän liian korkea käyttöjännite, ja sitä pitäisi hieman modifioida dynamokäyttöön, mutta periaate on näppärä, komparaattori piiriä käytetään oskillaattorina, tai siis kun ledin virta nousee yli rajan, transistori kytkeytyy pois ja siitä aikanaan seuraa että virta laskee rajan alle...
Re: Pyörän valoista
LM2676, MC34063 ja UC3845 Noista oon tehny led valoihin hakkureita. LM2577 seuraavaksi.