Simppeli ja mukava nojakki... mutta miten?

Rakennatko omaa nojapyörää? Täältä voit saada vinkkejä projektiisi.
jori
Pistosuojattu sisällöntuottaja
Viestit: 14363
Liittynyt: 15 Syys 2006, 19:00
Paikkakunta: Tampere, Petsamo

Re: Simppeli ja mukava nojakki... mutta miten?

Viesti Kirjoittaja jori »

Vetävän ketjun taittopyörän pitää olla niin suuri, ettei painu koloille harjanne. 130 mm on minun taittopyöräni.

PA (Nylon) on hiukan POMia pehmeämpää, mutta käy kyllä tuohon tarkoitukseen. Ainoat haitat POMiin verrattuna ovat vettyminen (turpoaa saatuaan vettä, jolloin laakerien pesät muuttuvat väljiksi) ja hiukan huonompi sorvattavuus. PA on sitkeämpää ja lastu katkeaa huonommin. Vaatii suuremman rinta- ja päästökulman.
Kuva

Liitteet
vink_pom_esite_a4_web-2.pdf
(248.12 KiB) Tiedosto ladattu 248 kertaa
vink_pa_esite_a4_web (1).pdf
(266.19 KiB) Tiedosto ladattu 232 kertaa

Jori

On se kumma hyypiö tämä ihminen.
Kun kerran omaksuu tietyn käsityksen ja asenteen jostain asiasta, tulee aivan kuuroksi ja sokeaksi todisteille, jotka kumoaisivat nuo käsitykset, ja varsinkin unohtaa ne. - Sakari Holma

jori
Pistosuojattu sisällöntuottaja
Viestit: 14363
Liittynyt: 15 Syys 2006, 19:00
Paikkakunta: Tampere, Petsamo

Re: Simppeli ja mukava nojakki... mutta miten?

Viesti Kirjoittaja jori »

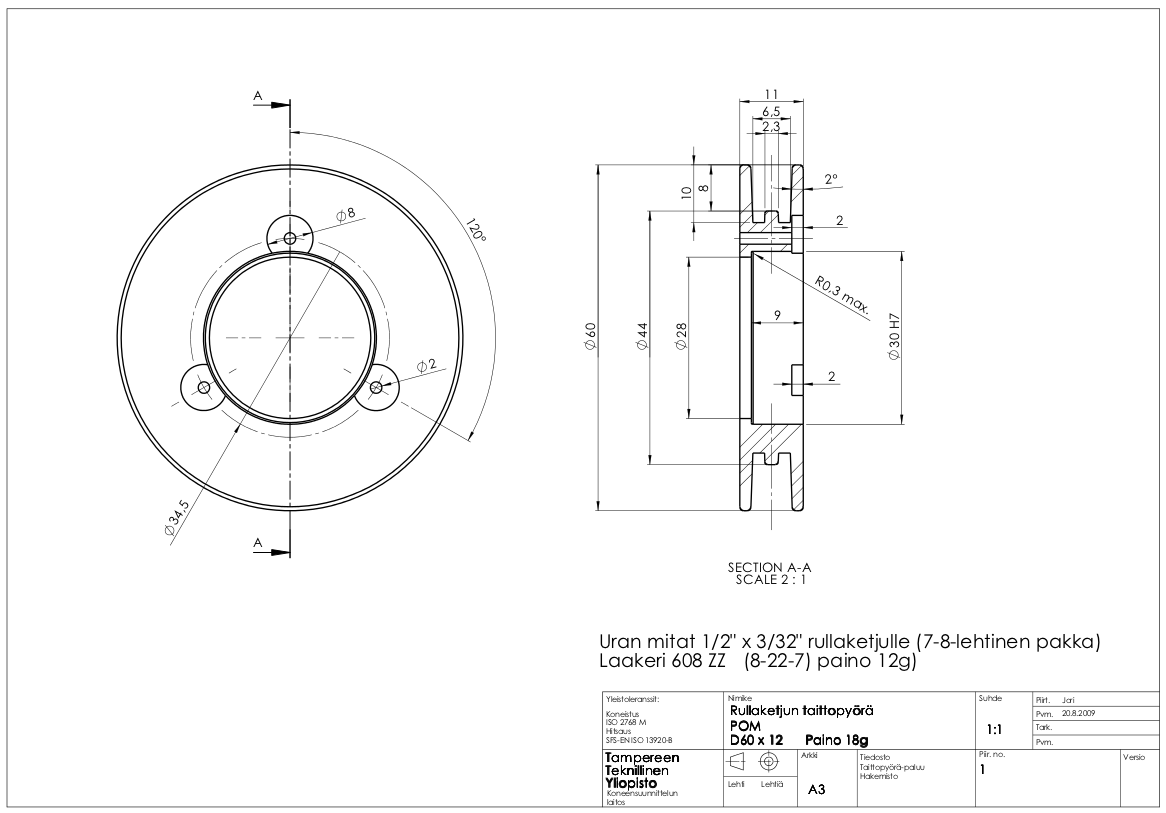
Laitanpa vielä nämä omat taittopyöränikin näkyviin. Ovat näköjään linkit kuolleet taittopyöräketjusta.

Liitteet
Taittopyörä veto.png
Taittopyörä paluu.png
Taittopyörä kokoonpano.png
Taittopyörä - Sheet1.pdf
(33.79 KiB) Tiedosto ladattu 246 kertaa
Taittopyörä-paluu - Sheet1.pdf
(33.8 KiB) Tiedosto ladattu 252 kertaa
Taittopyörän kokoonpano - Sheet.pdf
(52 KiB) Tiedosto ladattu 244 kertaa

Jori

On se kumma hyypiö tämä ihminen.
Kun kerran omaksuu tietyn käsityksen ja asenteen jostain asiasta, tulee aivan kuuroksi ja sokeaksi todisteille, jotka kumoaisivat nuo käsitykset, ja varsinkin unohtaa ne. - Sakari Holma

Avatar
mhelander
Pistosuojattu sisällöntuottaja
Viestit: 3772
Liittynyt: 20 Syys 2010, 22:55
Paikkakunta: Oulu

Re: Simppeli ja mukava nojakki... mutta miten?

Viesti Kirjoittaja mhelander »

Tuo 67-millinen menis tulpana hyvin MetaPhysic:n taittopyöräksi... pitää alkaa katteleen missä sais käydä sorvaamassa mokoman.

TerraCycle:n rulla on vaan liian arvokas ja MP ei tartte hammastettua edes vetopuolelle. Kunhan niistä kumisista O-renkaista pääsis eroon.

-Mika

Käytössä: omavalmisteet Evo off-roader @ 2015 & Vendetta kopio @ 2012, tehtaalta M5 CrMo Lowracer @ 2010
Myydyt: Proto off-roader omavalmiste @ 2012-2016, MetaPhysic (26"/29er & 700c) @ 2011-2017.

joonas
Viestit: 147
Liittynyt: 02 Touko 2012, 20:23

Re: Simppeli ja mukava nojakki... mutta miten?

Viesti Kirjoittaja joonas »

jori kirjoitti:

Laitanpa vielä nämä omat taittopyöränikin näkyviin. Ovat näköjään linkit kuolleet taittopyöräketjusta.

Hmm.. ajattelin kysellä rissojen hintaa paikalliselta pajalta ja yksinkertaistaa piirrustusta mahdollisimman paljon hinnan polkemiseksi.

Huomasin kuitenkin, että pienemmän rissan nimetty laakeri mulskahtaa piirroksen 28mm reijästä läpi :wink:

Mites muuten tuollanen 17mm akselireijällä varustetulla laakerilla varustettu rissa on Jorilla ripustettu? Kuvasta ei ihan näy.

Koska 8x22x7 näyttää olevan helposti saatavilla niin kai tuollanen toimii molemmissa rissoissa?

jori
Pistosuojattu sisällöntuottaja
Viestit: 14363
Liittynyt: 15 Syys 2006, 19:00
Paikkakunta: Tampere, Petsamo

Re: Simppeli ja mukava nojakki... mutta miten?

Viesti Kirjoittaja jori »

Vetävän puolen akseli täytyy olla melko jämy, jotta kestää ketjuvoimat. Kun taittokulma on yli 90 astetta ja ketjuvoima pahimmillaan 500 kg painovoiman verran, rasittaa se akselia neliöjuuri2kertaa ketjuvoiman verran. Tässä tapauksessa siis yli 700 kg massan painovoiman verran. Siksi akseli on noinkin paksu. Toki ohuempi kestäisi lujuuden puolesta, mutta taipumien välttämiseksi tuossa on ajateltu käytettävän emäputken etupuolelle hitsattavaa putkea.

Harvoinpa sitä tuollaisilla voimilla tulee polkimia runnottua, ainakaan nyt, kun kammenpituus on enää 115 mm, mutta jos pitkillä kammilla käyttää pieniä eturattaita, ketjuvoimat voivat äityä tuollaisiksikin.

Pitänee korjata tuo mittavirhe pikkupyörästä, kunhan pääsen cadiohjelman ääreen. :oops:

Jori

On se kumma hyypiö tämä ihminen.
Kun kerran omaksuu tietyn käsityksen ja asenteen jostain asiasta, tulee aivan kuuroksi ja sokeaksi todisteille, jotka kumoaisivat nuo käsitykset, ja varsinkin unohtaa ne. - Sakari Holma

joonas
Viestit: 147
Liittynyt: 02 Touko 2012, 20:23

Re: Simppeli ja mukava nojakki... mutta miten?

Viesti Kirjoittaja joonas »

Lihavia työstökuluja epäillen ajattelin kysyä pajalta pelkästään 40mm ja 80mm laakerin leveyden paksuisia kiekkoja. Porakoneessa saan varmaan itte sorvailtua harjanteen. Sitten kiekon molemmin puolin CD-levystä laipat kejun ja laakerin pitimiksi. Eihän noihin sivulevyihin mun käsittääkseni mitään tosivoimia kohdistu.

joonas
Viestit: 147
Liittynyt: 02 Touko 2012, 20:23

Re: Simppeli ja mukava nojakki... mutta miten?

Viesti Kirjoittaja joonas »

Simu, eli simppeli mukava nojakki, on tullut mitä todennäköisimmin teidensä päähän. Kirjoitan tähän kootusti mitä tästä (muistamme) opimme ja aloitan uuden ketjun uutta pyörää varten.

Pyörällä tuli ajeltua muutama tuhat kilometriä ja sitten se jäi pölyttymään tarpeettomana. Pystärillä on alle kahden kilsan reitit vaan kätevämpiä ajaa.. riippuen tietty monesta seikasta. Tämä oli riks-raks-poks vanha MTB nojakiksi konversio, mutta hommailua riitti yllättävän paljon.

  • Yli jotain 120mm kammet on piiiiitkät. Jotain alle 90mm kammet alkaa vaatia aika moista pyörittämistä. 99mm kammet on oikein hyvät. Jotenki järki sanoo, että niistä haluais pikkasen pidemmät, mutta sitten ku käyttää ja kokeilee niin lyhemmät on paremmat.
  • 50x1mm runkoputki ei notkunut mihinkään, mutta ei ole helpointa hitsata. Huomaa kammen pituus oli 99mm.
  • M8 pultit kuuluu rekka-autoisiin, ei polkupyörän kiinnikkeiksi. Alajutskan kiinnitykseen vois varmaan käyttää kahta M4 U-pulttia, jos kierre osa olisi M6.
  • Jarrut rassaa. Voi miksi etujarrut on väärän kätiset nojakkiin. Saksimalliset pitkillä leuoilla ei oikein jaksanut puristaa etupyörää.Olis pitänyt tehdä sovituskappale ja laskea lähemmäksi rengasta. Laahaavat myös helposti. V-jarrutkin laahaavat etenkin, jos eivät ole hyvälaatuiset ja hyvissä säädöissään. Etuhaarukkaan pitäisi olla, ainakin toiselle puolelle, kiinnitettynä stoppari, jotka pysäyttäisi leukojen avautumisen, näin turhaa säätelyä ei tarvitsisi. Toinen jousi voisi olla maksimissa, ja toinen sen verran että aukeaa kunnolla.
  • Penkin kiinnitys jäi lonksuvaksi. Jotenkin osoittautui hankalaksi hommaksi ja takavetosen ketjulinja tuppasi kiinnityksen tielle. Tälle pitäisi olla joku yhtä kätevä ratkaisu kuin tolle alajutskalle (BB).
  • Takavaihtajan rattaasta tehty ketjurissa ei ottanut toimiakseen luotettavasti ja ketju tippuili. Ketjuputket oli paljon rennompi vaihtoehto. Alumiinivahvisteinen muovinen vesiputki toimi oikeen hyvin tän elin iän, mutta on toki aika epäelegantti ratkasu ja rohisee.
  • tavarankuljetuskori/teline on must juttu. Hintelässä muutaman euron korissa matkasi jopa elävä joulukuusi (isossa ruukussa). Skootterin kypäräkori oli tuhottoman painava, en edes asentanut.
  • Penkin taakse kiinnitetty iso turvakolmio tuo ainakin turvallisuuden tunnetta melkoisesti, mutta varmasti näkyy hyvin. Must juttu isommilla autoteillä.
  • Karkeaa on kyyti, jos ei ole tasaista asfalttia, ilman kunnon pehmusteita penkin päällä, vaikka penkissä olikin pieni jousto kiinnityspisteen ympäri (selkänoja vain remmillä paikoillaan).
  • 7 vaihdetta riittää ihan hyvin hyötyajoon.
  • hmm.. mitäs vielä.. pienet jutut on isoja juttuja. Kaikki kurakaarien kiinnitykset, takatelineen kiinnitykset, vaijerien kiinnitykset jne kiinnitykset yleensä rassaa helpolla. Helppo tehdä nopeasti ja huonosti lopullinen väliakainen ratkaisu.

Ei nyt liity itse pyörään, mutta lippaan kiinnitetty sivupeili on loistava. En nyt juuri ole sarveen kiinnitettyä käyttänyt, mutta en usko että on lähellekkään noin kätevä. Näköalaa riittää niin, että sarveen kiinnitettävän peilin pitäs olla ruokalautasen kokonen. Päätä kääntämällä näkee melkein minne vaan taakse, mutta sarvia kääntämällä ajas ojaan.

Kuvassa istuimen hengittävään muoviverkkopäällisen päälle on teipattu vähän vaahtomuovia kun viimeisiä ajoja ajeltiin hiekkateillä ja epätasaisillä reiteillä.

Liitteet
simusmall.jpg
simusmall.jpg (44.26 KiB) Katsottu 4008 kertaa
jori
Pistosuojattu sisällöntuottaja
Viestit: 14363
Liittynyt: 15 Syys 2006, 19:00
Paikkakunta: Tampere, Petsamo

Re: Simppeli ja mukava nojakki... mutta miten?

Viesti Kirjoittaja jori »

Hauska kuulla sinusta Joonas. Mietinkin jokin aika sitten väittäessäni ajavani pohjoiseuroopan lyhimmillä kammilla, että en sentään niin lyhyillä, kuin sinä.
Pyörät tulevat aikanaan tiensä päähän, kuten kaikki muukin. Sitten vain täytyy tehdä uusi. Sillä välin, kun sinä olet ajellut omallasi pitkin pomppuisia ja pölyisiä teitä, on Nojapyöräfoorumilla rakentelijoiden kiinnostus kohdistunut kahteen pyörämalliin. Jousitettuun tai läskirenkaiseen maastonojakkiin ja runko-ohjattuihin ohjauksen mukana liikkuvalla kampikeskiöllä (MBB) toteutettuihin suuripyöräisiin. Näitä malleja on tehty useita varsin hyvällä menestyksellä. MBB nojapyörä on tuon sinun otsikkosi mukainen ja varsin hyvä kulkupeli maantielle, mutta sen kaupunkiominaisuudet ovat hiukan puutteelliset jähmeän ohjauksen takia. Kun sillä oppii ajamaan tuokaan ei liene ratkaiseva este myöskään kaupunkiajossa. Ainakin mhelander,PW, jooseha ja Marzie ovat kerryttäneet kokemusta MBB pyöristä nämä vuodet, kun sinä olet ollut poissa foorumilta.

Jori

On se kumma hyypiö tämä ihminen.
Kun kerran omaksuu tietyn käsityksen ja asenteen jostain asiasta, tulee aivan kuuroksi ja sokeaksi todisteille, jotka kumoaisivat nuo käsitykset, ja varsinkin unohtaa ne. - Sakari Holma

Avatar
jviirret
Pistosuojattu sisällöntuottaja
Viestit: 12381
Liittynyt: 27 Elo 2006, 10:25
Paikkakunta: Raahe

Re: Simppeli ja mukava nojakki... mutta miten?

Viesti Kirjoittaja jviirret »

Parin kilometrin matkalle en itsekkään nojakkia tekisi, mutta Kickbike tai CF/cruiser-tyylinen polkupyörä ovat oikeita täsmäratkaisuja ;)

Jukka

Riman ali ja suoraa ohi maalin...

Vastaa Viestiin