Sivu 1/2
Kermit - trike jangstereille
Lähetetty: 13 Tammi 2014, 21:09
Kirjoittaja Jarcco
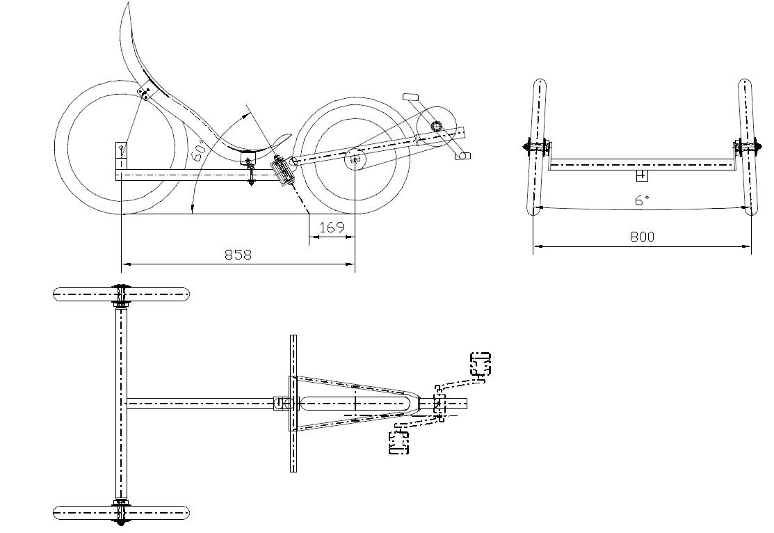
Tässä tuumin että nuoriso pitäisi tutustuttaa nojapyöräilyyn. Mielestäni sen pitäisi olla helppo, hauska ja kevyt polkea - Miniversio Hipparion/Pythontrike tyyppisestä saattaisi toimia. Sanoista tekoihin, tuossa vähän piirustusta:

- kermitti.jpg (63.97 KiB) Katsottu 4840 kertaa
Ja tähän vaiheeseen on edetty:
Re: Kermit - trike jangstereille
Lähetetty: 13 Tammi 2014, 21:14
Kirjoittaja jviirret
Tee ihmeessä vaihdettava takaosa, lapset voi oppi kaksipyöräisellä ajon yllättävän äkkiä 
Jukka
Re: Kermit - trike jangstereille
Lähetetty: 13 Tammi 2014, 21:34
Kirjoittaja Jarcco
jviirret kirjoitti:Tee ihmeessä vaihdettava takaosa, lapset voi oppi kaksipyöräisellä ajon yllättävän äkkiä 
Jukka
Takapää on aika helppo tehdä kokonaan uusi tai käyttää olemassaolevaa 20" Jiven perää. Modulaarinen siitä on tarkoituskin tehdä, eli etu- ja takapäitä voi tehdä erilaisia tarpeen mukaan.
Re: Kermit - trike jangstereille
Lähetetty: 09 Helmi 2014, 20:19
Kirjoittaja Jarcco
Muutaman tunnin työn jälkeen tämä on saatu pyörilleen. Takapyörät ovat 37-540 ja edessä 47-305. Renkaat löytyi paikallisesta, muttei sopivia sisuskumeja. Veikkaan että 507- kokoiset kävisi paremmin kuin 559:t jollei oikeankokoisia löydy. Pyörätuolin kiekoissa ei ollut laakerien välissä holkkeja. Lisäsin ne koska laakerointi kestää siten paljon paremmin. Täytyy vielä miettiä minkälaisen penkin laittaisi.
Re: Kermit - trike jangstereille
Lähetetty: 09 Helmi 2014, 21:31
Kirjoittaja jori
Kuvittelenko vain näkeväni, vai onko tuossa keskiönkiinnitysjalassa tukilatat neliöputken kylkiä vasten.
Laitoit takapyörät suoraan. Esko esitti hyvän perustelun, miksi pitäisi olla muutama aste camberia. Varsinkin lasten ajamana nuo takapyörien navat / akselin päät raapivat ovenpieliä ym. Jos laittaa camberia, renkaan reuna estää navan / akselin törmäyksen seiniin ja ovenpieliin.
Re: Kermit - trike jangstereille
Lähetetty: 09 Helmi 2014, 21:44
Kirjoittaja Jarcco
jori kirjoitti:Kuvittelenko vain näkeväni, vai onko tuossa keskiönkiinnitysjalassa tukilatat neliöputken kylkiä vasten.
Laitoit takapyörät suoraan. Esko esitti hyvän perustelun, miksi pitäisi olla muutama aste camberia. Varsinkin lasten ajamana nuo takapyörien navat / akselin päät raapivat ovenpieliä ym. Jos laittaa camberia, renkaan reuna estää navan / akselin törmäyksen seiniin ja ovenpieliin.
Kiinnike on juuri sellainen kuin piirsit. Hyvä ettei itse tarvinnut..
Vaikka ei siltä näytä, takapyörissä on camberia 3 astetta. Voisi olla enemmänkin, pitääkin tarkistaa että kumi on napaa ulompana.
Re: Kermit - trike jangstereille
Lähetetty: 09 Helmi 2014, 22:41
Kirjoittaja jori
Jarcco kirjoitti:jori kirjoitti:Kuvittelenko vain näkeväni, vai onko tuossa keskiönkiinnitysjalassa tukilatat neliöputken kylkiä vasten.
Laitoit takapyörät suoraan. Esko esitti hyvän perustelun, miksi pitäisi olla muutama aste camberia. Varsinkin lasten ajamana nuo takapyörien navat / akselin päät raapivat ovenpieliä ym. Jos laittaa camberia, renkaan reuna estää navan / akselin törmäyksen seiniin ja ovenpieliin.
Kiinnike on juuri sellainen kuin piirsit. Hyvä ettei itse tarvinnut..
Vaikka ei siltä näytä, takapyörissä on camberia 3 astetta. Voisi olla enemmänkin, pitääkin tarkistaa että kumi on napaa ulompana.
Heh, aika vähistä merkeistä tuo rakenne paljastui. 
Camberi catosi cameran perspektiivivirheeseen. 
Re: Kermit - trike jangstereille
Lähetetty: 12 Helmi 2014, 19:30
Kirjoittaja Jarcco
Tämä olikin helppo saada ajokuntoon, koska vaijereita ei tarvinnut viritellä eikä edes ohjaustanko ole välttämätön. Todellakin, helppo oli ohjata jaloilla - vaimokin osasi heti. Kyllä tällä voisi kuvitella ajavansa ihan samat ajot kuin tadpolellakin. Siis jos olisi enemmän vaihteita ja paremmat jarrut. Perusteellisemmat testaukset tehdään sitten kun kelit sallii. Pinnasuojat täytyy laittaa ainakin sisäpuolelle.
Re: Kermit - trike jangstereille
Lähetetty: 12 Helmi 2014, 19:50
Kirjoittaja jviirret
Paljoko painaa verrattuna tekemiisi tadpoleihin.
Jukka
Re: Kermit - trike jangstereille
Lähetetty: 12 Helmi 2014, 20:32
Kirjoittaja Jarcco
jviirret kirjoitti:Paljoko painaa verrattuna tekemiisi tadpoleihin.
Jukka
18,3 kg, tässä vaiheessa kevein tekemistäni. Kun alkaa varustamaan niin painoa tulee monta kiloa lisää. Tadpole painaa kaikkine sivulaukkuineen 27,5kg. Jos ne poistaisi, olisi 22-23 kiloinen.
Re: Kermit - trike jangstereille
Lähetetty: 12 Helmi 2014, 20:45
Kirjoittaja jviirret
Jarcco kirjoitti:jviirret kirjoitti:Paljoko painaa verrattuna tekemiisi tadpoleihin.
18,3 kg, tässä vaiheessa kevein tekemistäni.
Joo, sillä kysyin ku lapsille painolla suhteellisesti suurempi merkitys kuin aikuisille. Kevyt konseptihan tämä on, tässäkin kaksi isoa kiekkoa...
Jukka
Re: Kermit - trike jangstereille
Lähetetty: 10 Heinä 2014, 19:03
Kirjoittaja Jarcco
Re: Kermit - trike jangstereille
Lähetetty: 10 Heinä 2014, 19:53
Kirjoittaja jviirret
Taluttaminen on helppoa kun otat toisesta polkimesta kiinni ja kannat perässäsi. Voi vetää, peruuttaa ja kääntää pienessä tilassa.
Jukka
Re: Kermit - trike jangstereille
Lähetetty: 04 Touko 2015, 21:04
Kirjoittaja Jarcco
Re: Kermit - trike jangstereille
Lähetetty: 04 Touko 2015, 21:24
Kirjoittaja jori
Onpa hieno!
Mahtuisiko tuohon 3x406 kiekot. Olisi oikea jokamiehen nojapyörä. Ja itelle ja muille pitempijalkaisille sitten 3x559-mallinen. 
PS. Nyt vasta älysin tuon värin. - Kermit. 